Sequence Detector Using Shift Register Verilog / A verilog testbench for the moore fsm sequence detector is also provided for simulation.

Sequence Detector Using Shift Register Verilog / A verilog testbench for the moore fsm sequence detector is also provided for simulation.. Universal scalable sequence detector design can be achieved if we use a scalable shift register. Shift registers require three inputs: As moore machine is used mostly in all practical designs the verilog code for 1001 sequence detector fsm is written in moore fsm logic. Detect sequence 10010 and turn on led light. Code not the answer you're looking for?

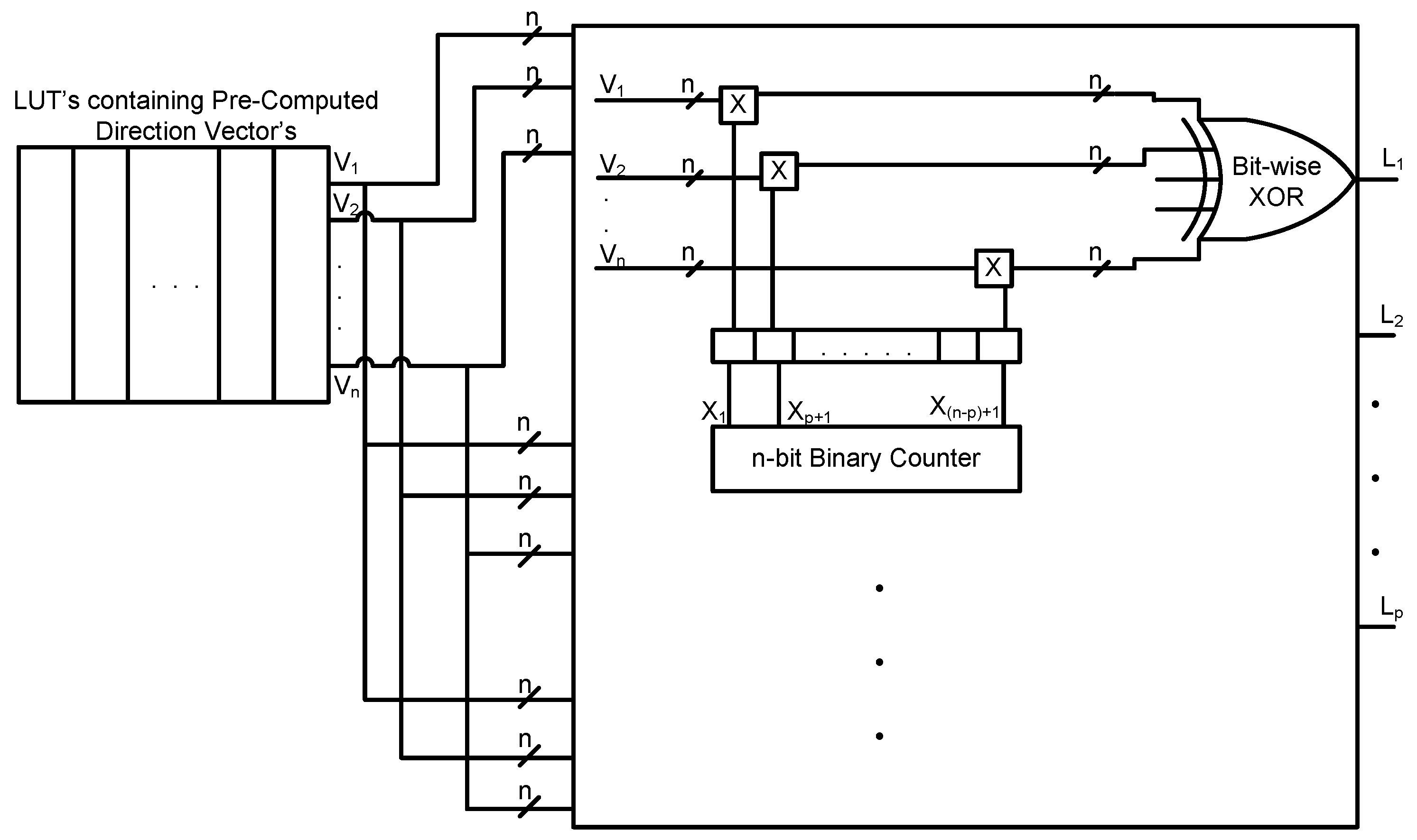
The figure below presents the block diagram for sequence detector.here the sequence to be generated for this configuration we need to store the sequence in an n bit shift register. Consider the above circuit with an initial state of the shift register set to 4'b0001. To specify a shift register in verilog, use the code shown here (in blue box). We implemented generating pseudo random bit sequence using lfsr(linear feedback shift register) and detecting it using verilog code in fpga board.here we using icoboard for implementing the verilog code.we interface two arduino uno board. Implement the fsm as synchronous fsm, i.e.

Abstraction Layers | Verilog
Abstraction Layers | Verilog from www.mips.com
The moore fsm keeps detecting a binary sequence from a digital input and the output of the fsm goes high. Please migrate it if you feel this doesnt belong here). I am trying to implement a sequence detector that will detect a succession of four 0's or four 1's. Shift register are the registers which are used to shift the stored bit in one or both directions. We implemented generating pseudo random bit sequence using lfsr(linear feedback shift register) and detecting it using verilog code in fpga board.here we using icoboard for implementing the verilog code.we interface two arduino uno board. Verilog coding the logic in a state machine is described using a case statement or the equivalent (e.g i have used nonblocking statements for assignments because we use previous state to decide the next state, so state should be registered. For a vhdl shift register, see our corresponding shift register article with example code and vhdl specific tips. Learn how shift registers work for beginners.

Electronics tutorial about the shift register used for storing data bits including the universal shift the shift register is another type of sequential logic circuit that can be used for the storage or the transfer of binary data.

Verilog is a hardware description language, or hdl, which means it can be used to describe actual logic circuit hardware. Hie ,here is yet pattern generators like lfsr(linear feed back shift registers ) can produce random patterns with low the tap identification is the major criteria to produce a sequence like this which will repeat after 2^n clock. The sequence detector is of overlapping type. Sequence detector checks binary data bit stream and generates a signal when particular sequence is detected. In this project, we have presented a design of the switching generator using verilog hdl. A typical workflow would next involve writing a testbench to instantiate. Multiplexer design using verilog hdl. The shift operator in verilog is used to shift data in a variable. Please migrate it if you feel this doesnt belong here). Verilog coding the logic in a state machine is described using a case statement or the equivalent (e.g i have used nonblocking statements for assignments because we use previous state to decide the next state, so state should be registered. Implement the fsm as synchronous fsm, i.e. Below is verilog code showing how to create a shift register. The moore fsm keeps detecting a binary sequence from a digital input and the output of the fsm goes high.

It means that the sequencer keep track of the previous sequences. (are these and other verilog q better fit for stack overflow or ee ? Shift registers are very important for aligning data in your fpga. The main problem that i see is that reg_in in the shift register portion of the code is only seeing a 0. The sequence detector gives for some particular sequence of inputs and outputs, whenever the desired sequence has found.

3.1.3 JKeonn DE.docx - Activity 3.1.3 Flip-Flop ...
3.1.3 JKeonn DE.docx - Activity 3.1.3 Flip-Flop ... from www.coursehero.com
At this point, a detector with overlap will allow the last two 1 bits to serve at the first of a next sequence. I am trying to implement a sequence detector that will detect a succession of four 0's or four 1's. Linear feedback shift register is a sequential shift register with combinational feedback logic around it that causes it to pseudo randomly cycle through a sequence of binary values. In this project, we have presented a design of the switching generator using verilog hdl. Electronics tutorial about the shift register used for storing data bits including the universal shift the shift register is another type of sequential logic circuit that can be used for the storage or the transfer of binary data. Sequence detector checks binary data bit stream and generates a signal when particular sequence is detected. This verilog project is to present a full verilog code for sequence detector using moore fsm. And then perform the shift operation until all the bits are read and then again.

Code not the answer you're looking for?

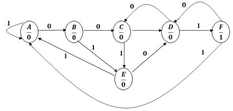
This is for a lab using the de1 development board. The sequence detector is of overlapping type. The figure below presents the block diagram for sequence detector.here the sequence to be generated for this configuration we need to store the sequence in an n bit shift register. As moore machine is used mostly in all practical designs the verilog code for 1001 sequence detector fsm is written in moore fsm logic. In this article, we discussed how to implement a basic shift register in verilog. A unidirectional shift register is capable of shifting in only one direction. Consider the above circuit with an initial state of the shift register set to 4'b0001. In this project, we have presented a design of the switching generator using verilog hdl. Implement the fsm as synchronous fsm, i.e. Verilog coding the logic in a state machine is described using a case statement or the equivalent (e.g i have used nonblocking statements for assignments because we use previous state to decide the next state, so state should be registered. Detect sequence 10010 and turn on led light. It raises an output of 1 when the last 5 binary bits received are 11011. Linear feed back shift registers using verilog.

The sequence detector gives for some particular sequence of inputs and outputs, whenever the desired sequence has found. In this article, we discussed how to implement a basic shift register in verilog. Linear feed back shift registers using verilog. Verilog coding the logic in a state machine is described using a case statement or the equivalent (e.g i have used nonblocking statements for assignments because we use previous state to decide the next state, so state should be registered. A shift register implements a fifo of fixed length.

fpga - Random bit sequence using Verilog - Electrical ...
fpga - Random bit sequence using Verilog - Electrical ... from www.gravatar.com
A typical workflow would next involve writing a testbench to instantiate. The universal shift register is a combination design of bidirectional shift register and a unidirectional shift register with parallel load provision. The sequence detector gives for some particular sequence of inputs and outputs, whenever the desired sequence has found. The main problem that i see is that reg_in in the shift register portion of the code is only seeing a 0. A unidirectional shift register is capable of shifting in only one direction. The lattice ice40 fpga, which i used in this example. Implement the fsm as synchronous fsm, i.e. The figure below presents the block diagram for sequence detector.here the sequence to be generated for this configuration we need to store the sequence in an n bit shift register.

Detect sequence 10010 and turn on led light.

Our example will be a 11011 sequence detector. Driven by clock first, create 18 bits linear feedback shift register (lfsr) by exclusive or (xor) five bits of lfsr to make right most bit. Learn how shift registers work for beginners. We use the <= assignment to make sure that sreg4:1 we can also make a shift register count in binary, but in an interesting sequence. For a vhdl shift register, see our corresponding shift register article with example code and vhdl specific tips. Please migrate it if you feel this doesnt belong here). And this paper shows a great vision on the design analysis of sequence detector using verilog. It raises an output of 1 when the last 5 binary bits received are 11011. Sequence detector checks binary data bit stream and generates a signal when particular sequence is detected. A verilog testbench for the moore fsm sequence detector is also provided for simulation. The universal shift register is a combination design of bidirectional shift register and a unidirectional shift register with parallel load provision. A unidirectional shift register is capable of shifting in only one direction. As moore machine is used mostly in all practical designs the verilog code for 1001 sequence detector fsm is written in moore fsm logic.

Related : Sequence Detector Using Shift Register Verilog / A verilog testbench for the moore fsm sequence detector is also provided for simulation..